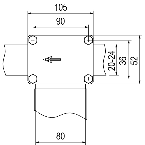
Flexibar clamps 80x24

Code: R5BBFFC08024
Code: R5BBFFC08024
  • To ask a question
Type of accessory/spare part Mounting plate
Model Mounting plate