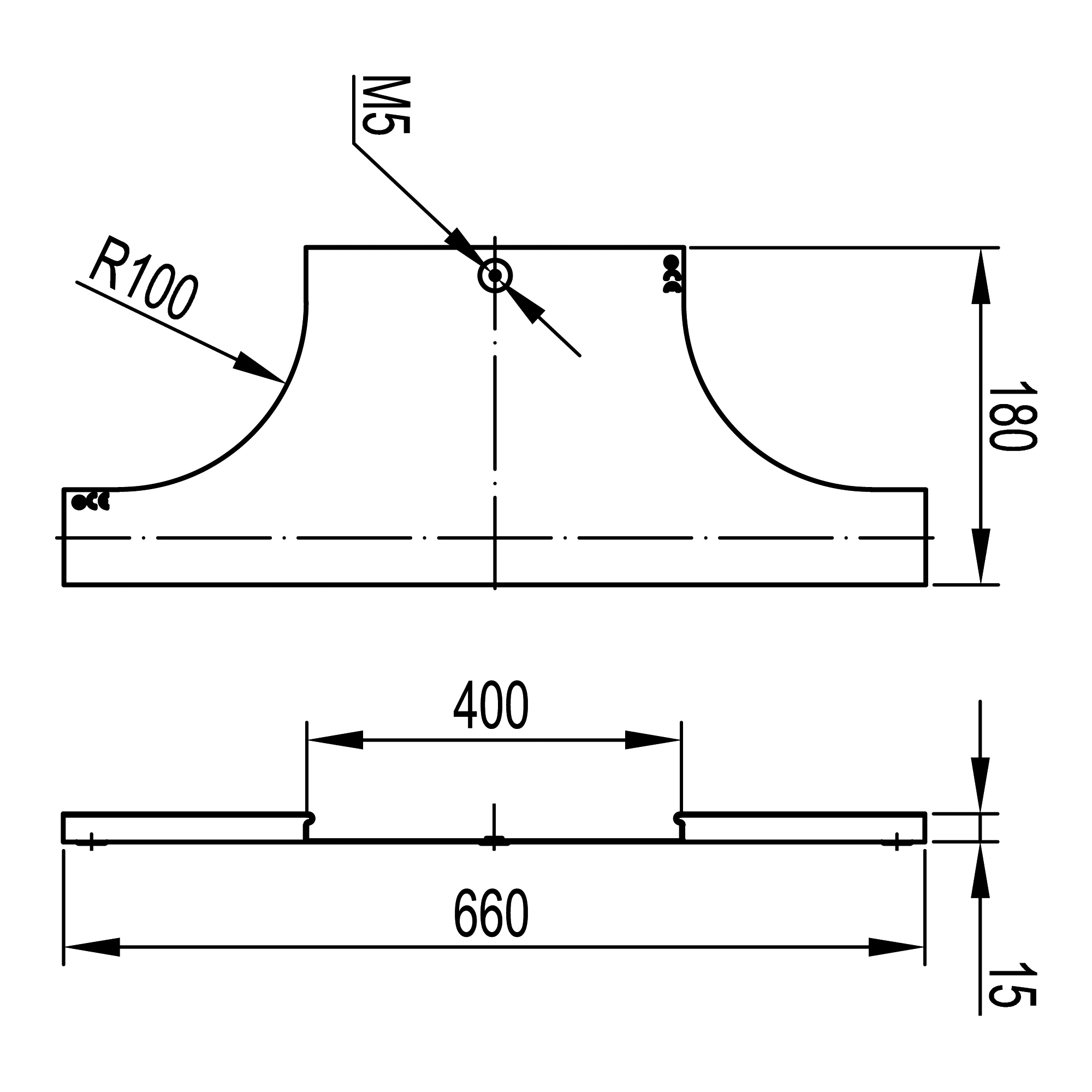
Cover for DL T-tapper b. 400 included with fasteners (joint plates PTCE, screws, nuts)

Code: 38367K
Code: 38367K
  • To ask a question
Colour Light grey
Width, mm 400
Material Steel
Type of fastening Snapped on
Suitable for cable tray Yes
Surface protection Sendzimir galvanized
Material quality Steel galvanised
Product type Covers for system accessories
Type of accessories Cover for universal branch
Thickness 0.8 mm
Material Pre-galvanized
Width 400 mm