| Colour | Light grey |
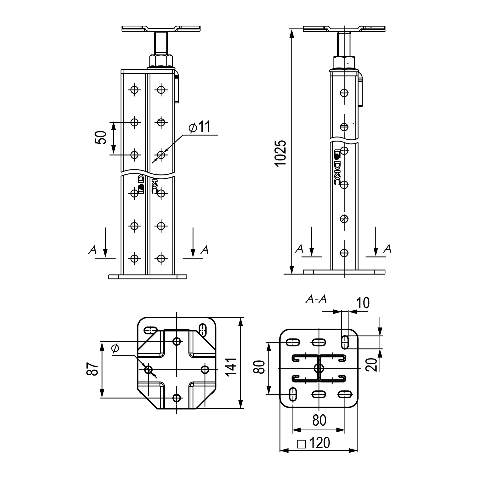
| Width, mm | 41 |
| Model | Pendant bar |
| Height, mm | 1025 |
| Surface protection | Galvanic/electrolytic zinc plated |
| Adjustable | Yes |
| Hinging | No |
| Material quality | Other |
| Length, mm | 82 |
| Material | Steel |
| Suitable for circuit integrity | No |
| Type | Raised floor stand |
| Height | 1025 mm |
| Weight | 8,1 kg |