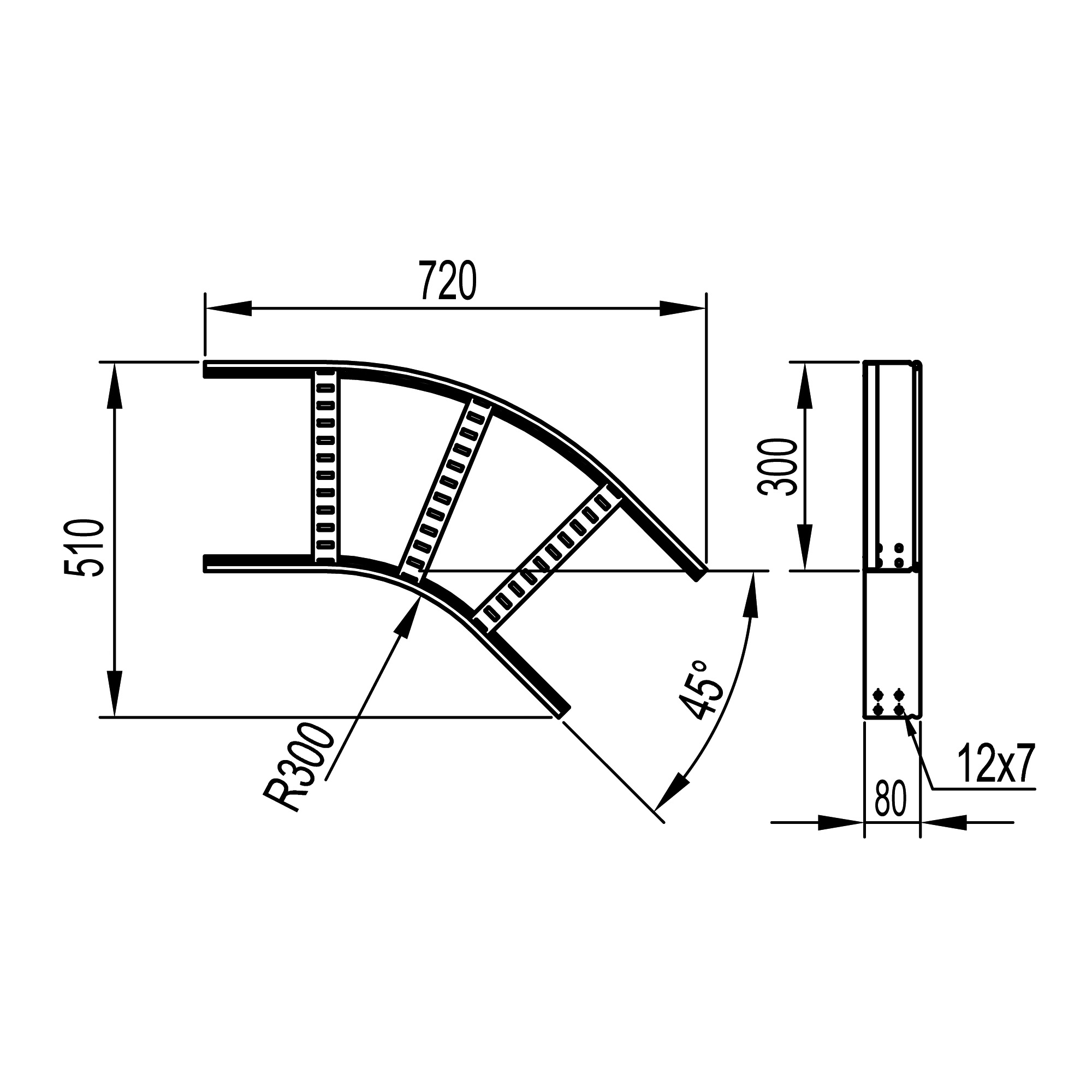
Horizontal bend 45 80x300 R300, hot-dip galvanized included with fasteners (joint plates screws, nuts)

Code: LC0833KHDZ
Code: LC0833KHDZ
  • To ask a question
Colour Light grey
Surface protection Hot-dip galvanized
Type of rung Perforated profile
Width branch, mm 300
Material quality Steel
Material Steel
Inner radius, mm 300
Type of side joist Profile (open)
Suitable for circuit integrity Yes
Height side joist, mm 80
Product type System accessories
Type of accessories 45º Horizontal bend
Material Hot-dip galvanized
Width 300 mm
Height 80 mm
Side rail thickness 1.2 mm
19 мм 300 mm