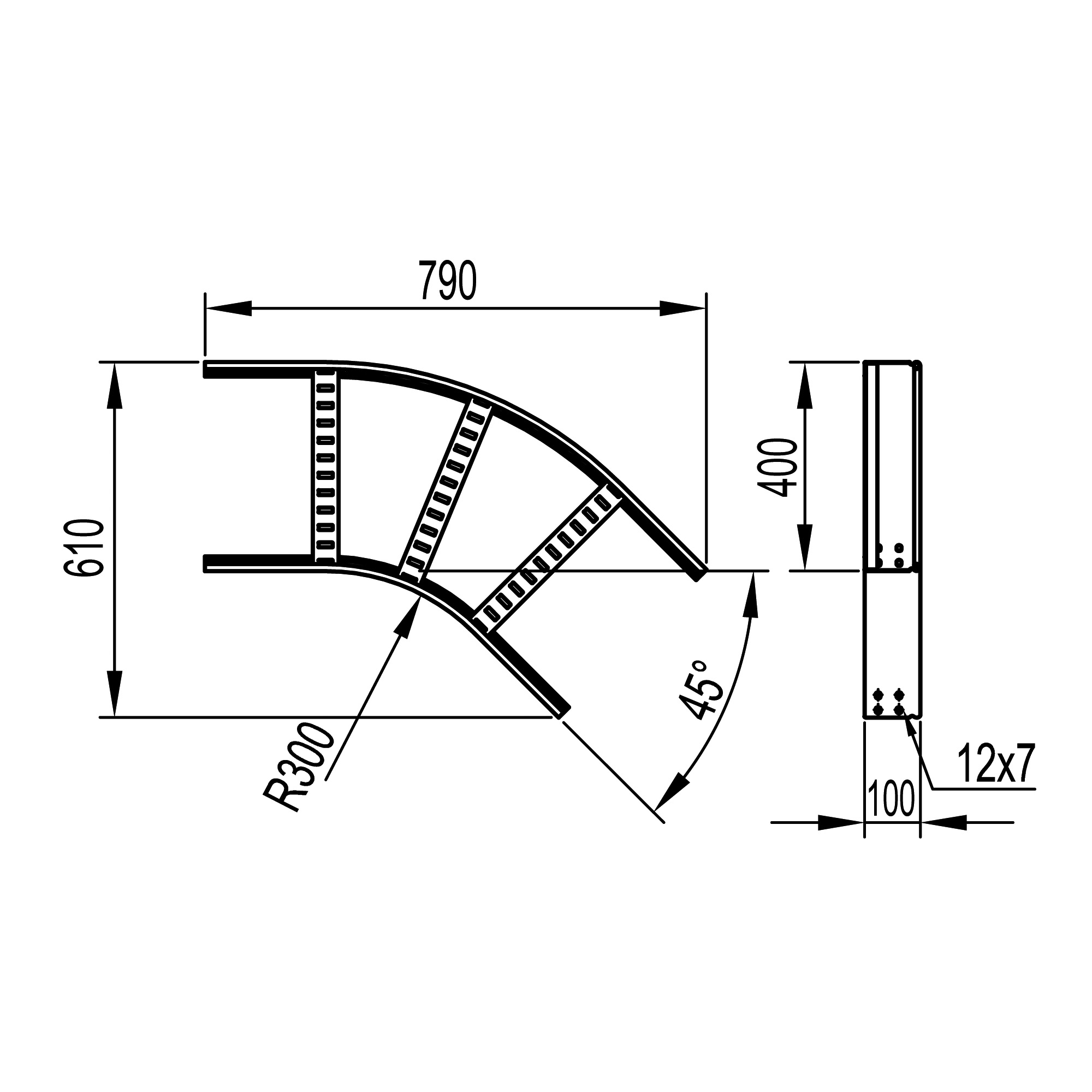
Horizontal bend 45 100x400 R300, hot-dip galvanized included with fasteners (joint plates screws, nuts)

Code: LC0134KHDZ
Code: LC0134KHDZ
  • To ask a question
Colour Light grey
Surface protection Hot-dip galvanized
Type of rung Perforated profile
Width branch, mm 400
Material quality Steel
Material Steel
Inner radius, mm 300
Type of side joist Profile (open)
Suitable for circuit integrity Yes
Height side joist, mm 100
Product type System accessories
Type of accessories 45º Horizontal bend
Material Hot-dip galvanized
Width 400 mm
Height 100 mm
Side rail thickness 1.2 mm
19 мм 300 mm